首页
关于我们
公司简介
组织结构
管理团队
荣誉年鉴
新闻中心
服务保障
塔机品牌与分类
安全保障
服务流程
技术研发
业绩展示
特
大
高
新
难
人力资源
培养体系
员工培训
人员招聘
联系我们
联系方式
15853160750
首页
服务保障
塔机品牌与分类
江西中天
详情
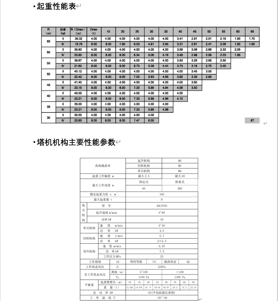
ZTT6517